降壓式DC/DC變換器,簡稱降壓式變換器,英文為BuckConverter,也稱Buck變換器,是最常用的DC/DC變換器之一。降壓式變換器能將較高的直流電壓變換成較低的直流電壓,例如將24V電壓變換成12V或5V電壓。降壓式變換器的損耗很小,效率很高,應用領域十分廣泛。
降壓式DC/DC變換器的拓撲結構
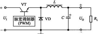
降壓式DC/DC變換器的拓撲結構如圖2-1-1所示。圖中U I 為直流輸入電壓,VT為功率開關管,VD為續流二極體,L為輸出濾波電感(也稱儲能電感),C為輸出濾波電容,U O 為直流輸出電壓,R L 為外部負載電阻。脈寬調製器(PWM)用來控制功率開關管VT的導通與關斷,是變換器的控制核心。

降壓式DC/DC變換器的工作原理
降壓式DC/DC變換器的功率開關管VT在脈寬調製(PWM)信號的控制下,交替地導通與關斷(也稱截止),相當於一個機械開關高速地閉合與斷開,其工作原理如圖2-1-2所示。圖2-1-2(a)和圖2-1-2(b)分別示出了VT導通和關斷時的電流路徑,為了便於電路分析,圖中用開關S的閉合與斷開來代替VT的導通和關斷。
當VT導通(即S閉合)時,如圖2-1-2(a)所示,續流二極體VD截止,輸入電壓U I 加到儲能電感L的左端,因此L上施加了(U I -U O )的電壓,使通過L的電流I L 線性地增加,電感儲存的能量也在增加,電感的感應電動勢為左「+」右「-」。在此期間,輸入電流(即電感電流I L )除向負載供電之外,還有一部分給濾波電容C充電,電感電流I L 為電容充電電流I 1 和負載R L 電流I O 的總和。

當VT關斷(即S斷開)時,如圖2-1-2(b)所示,電感L與U I 斷開。由於電感電流不能發生突變,因此在L上就產生左「-」右「+」的感應電壓,以維持通過電感的電流I L 不變。此時續流二極體VD導通,儲存在L中的磁場能量就轉化為電能,經過由VD構成的迴路繼續向負載供電,電感電流I L 線性地減小。此時,濾波電容C產生放電電流I 2 與電感電流I L 疊加,為負載R L 供電,負載電流I O 為電感電流I L 和電容放電電流I 2 的總和。
小貼示
降壓式變換器是在功率開關管導通時向負載傳輸能量的,屬於正激型變換器。
降壓式DC/DC變換器的電壓及電流波形如圖2-1-3所示。PWM表示脈寬調製波形,t ON 為功率開關管VT的導通時間,t OFF 為功率開關管VT的關斷時間。T為開關周期,其數值為t ON 與t OFF 之和,即T=t ON +t OFF 。其中t ON 與T的比值稱為佔空比,用「D」表示,即D=t ON /T。

U E 為功率開關管VT的發射極電壓波形,I C 為VT的集電極電流波形。I F 為續流二極體VD的電流波形。I L 為濾波電感的電流波形。可以看出,功率開關管VT導通時,其發射極電壓U E 等於輸入電壓U I ;在VT關斷時,其發射極電壓U E 為零。在功率開關管VT導通期間,電感電流線性增加;在VT關斷期間,電感電流線性減小。電感電流I L 是由VT的集電極電流I C 和續流二極體VD的電流I F 疊加形成的。
DC/DC變換器的輸出電流I O 為濾波電感電流I L 的平均值。電感電流波形中峰值與谷值之間的差值就是電感紋波電流。為減小輸出電流的紋波,L應選得足夠大,使DC/DC變換器工作在連續模式。通常紋波電流應為額定輸出電流的20%左右。
降壓式DC/DC變換器具有以下特點。
① 輸出電壓U O
② 輸出電壓U O 與輸入電壓U I 的極性相同。
③ 功率開關管VT承受的最大電壓U CE =U I 。
④ 功率開關管VT集電極的最大電流I C =I O 。
⑤ 續流二極體VD的平均電流I F =(1-D)I O 。
⑥ 續流二極體VD承受的反向電壓U R =U I 。
降壓式DC/DC變換器可以由分立元件和PWM控制器構成,也可以選擇集成電路產品。典型的集成電路產品有LM2576、LM2596、L4960等。其中LM2576的外圍電路最簡單。